T.E.S.T.C.O.P.Y. • Просмотр изображения - Opto1

Opto1

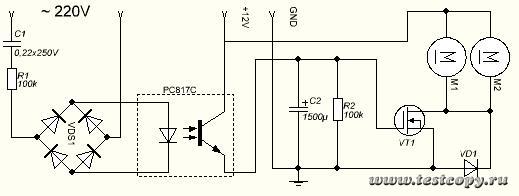
shema DSC00080 MAX3232 DSC00098 Схема Picture 19 Picture 13 HL1112 p HL1112 d HL1112 d1 Uniprof PinTiny13 FuseDefault Router opto Opto1 Proger Universal IMG AUTO 01 IMG AUTO 02

Opto1


Ср авг 05, 2015 3:22 pm
1740
Аватар пользователя
__Oleg__
Познал картридж
 
Сообщений: 307
Изображений: 21
Зарегистрирован: Чт май 16, 2013 3:29 pm
Комментариев пока нет

Вернуться в __Oleg__

вверх
вниз
cron
x

#{title}

#{text}