


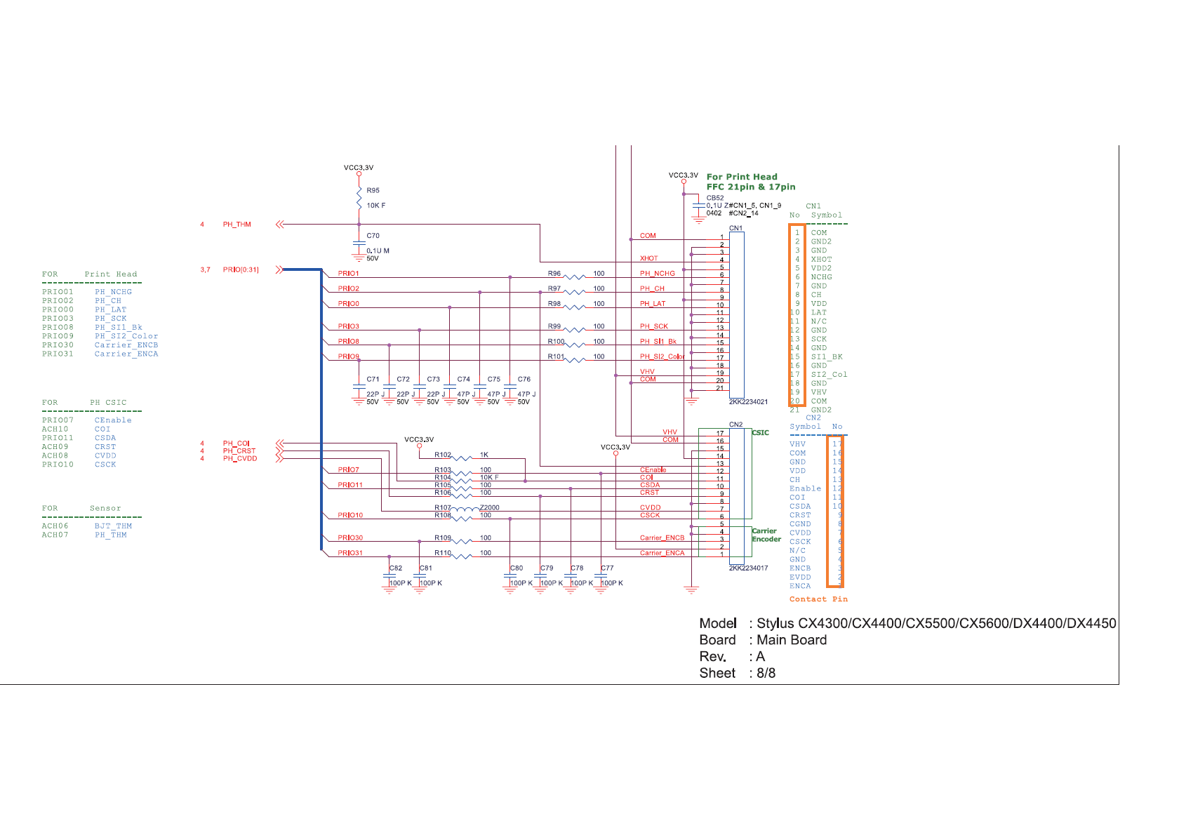
Всем доброго времени суток! Дело в том что была выполнена установка новой печатающей головки, после прочистки пошли чернила из всех дюз, но не надолго после распечатки нескольких тестовых листов стали пропадать цвета, были выполнены еще прочистки, но чернила так и не пошли, сейчас чернила не идут вообще. При этом если промывать физически промывочной жидкостью, то видно что чернила из дюз идут. Чернила заливались не оригинальные Hi Color универсальные. Мерил напряжение на выходе материнской платы которые идут на шлейф на 5 выводе и на 9 3,3V. Все как на схеме, а вот на 4 выводе нету 3,3v там 1,6v Подскажите пожалуйста, в чем может быть причина того что не идут чернила из дюз?