


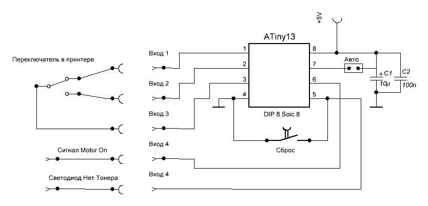
Вот алгоритм примерно, если не прав поправьте. Бразер самый простой.
Наше устройство назовем - девайс.
А). Нормальная (тонер есть) инициализация принтера
1. Включается питание принтера и соответственно нашего девайса
2. Принтер проходит инициализацию. Девайс видит, что светодиод тонера потушен.
3.Действий девайса нет.
В). Инициализация принтера при статусе (нет тонера)
1. Включается питание принтера и соответственно нашего девайса
2. Принтер проходит инициализацию. Девайс видит, что светодиод тонера включен.
3. Девайс записывает в энергонезависимую память флаг (необходим сброс тонера) и ждет перезагрузки аппарата.
4. перезагрузка принтера
5. Включается питание принтера и соответственно нашего девайса
6. девайс видит флаг начала операции сброса тонера и ждет сигнала включения главного двигателя аппарата
7. после включения главного двигателя начинается отсчет таймеров и в нужный момент происходит размыкание и
замыкание датчиков флажка сброса тонера в принтере.
8. далее девайс ждет когда светодиод тонера погаснет. Если погас, то операция сброса успешна и флаг в памяти
сбрасывается. При следующей перезагрузке аппарата сброса тонера не будет.
Вот как то так....
Добавлено спустя 7 часов 8 минут 24 секунды:вот накидал текст проги, че то не могу догнать как правильно в еепром писать
Добавлено спустя 9 часов 38 минут 11 секунд:О все догнал,

я же адрес забываю прописать в адресном регистре еепром.
