

 
						
			
			            
 
						
			
			            


Тиныч! писал(а):Вот честно, делал как можно проще, чтобы не умеющий паять человек за час мог на коленке сварганить....
Нафига всё усложнять??? На сегодняшний день могу и программатор АТ88 спаять, НО ... цель темы именно ПРОСТОТА!!!

 
						
			
			            

 Доброго времени суток.
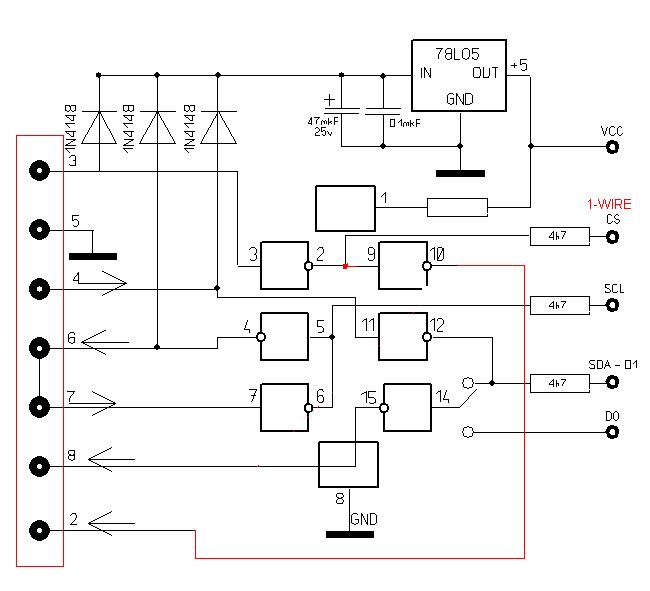
Доброго времени суток. . Вот что у меня получилось
 . Вот что у меня получилось 
 
  
 
 
						
			
			            


mr.vitalun писал(а):...И как-то пришла мысль, а почему их не подружить. Подружить их не просто спаять вместе, а сделать все на переходнике с коннектором.
.....
Прошу помощи у всех кому эта тема не безразлична.
Спасибо.
 иногда это нужно
 иногда это нужно
 
						
			
			            


mr.vitalun писал(а):Прошу помощи у всех кому эта тема не безразлична.
Спасибо.


 
  
  
  
  
 Сейчас этот форум просматривают: нет зарегистрированных пользователей и гости: 20