

Прива други.Короче случился вот такой жоп.
Оторвал разьем шлейфа кнопок от материнки на ML-2160.
Вот выкладываю фотки сего конфуза.
Это материнка с оторванным разьемом:
а это "жопа" материнки над этим разьемом:
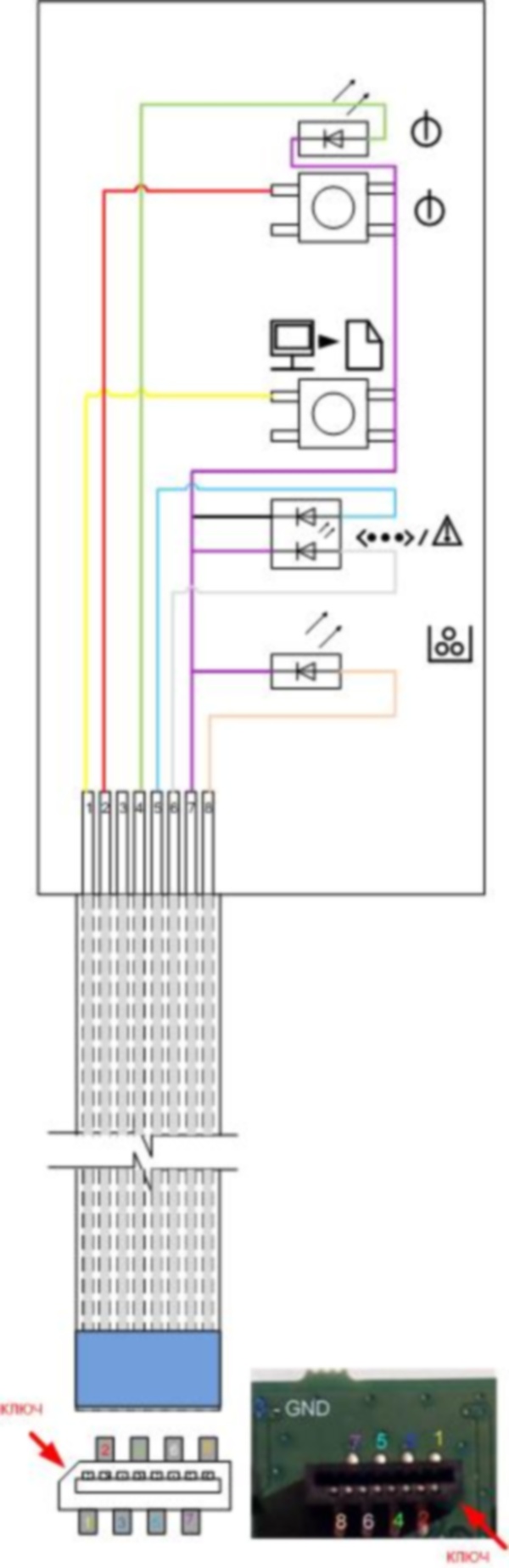
Собсно вопрос в чем. нужна схема этого участка, может у кого есть сервисник со схемой????
Буду признателен любой помосчи!!!
Заранее благодарю.
P/S/По поводу вооружится тестером и вызванивать, говорю сразу не приемлимо. затраты времени велики.
Короче все решено все работает, спасибо всем пацанам с сайта а именно Armphantom за отзвонку по рабочей матери
GeneSIS за тоже самое плюс направление мыслей и прически в нужное русло
, ну и конеш Князь за непосредственное руководство в нашихнестройных рядах.
Распаял по последнему фото от Armphantom:
Имею наглость обьеденив все в одном и сделать всеж по своему как положено по стандартам:
Ну и на досуге проверил разводку самомго пульта с кнопками
:Буду очень рад (и группа поддержки
) если кому то помог(ли) в решении данного вопроса!!!!Пы.Сы. Как развивались события можно ознакомится ниже








