

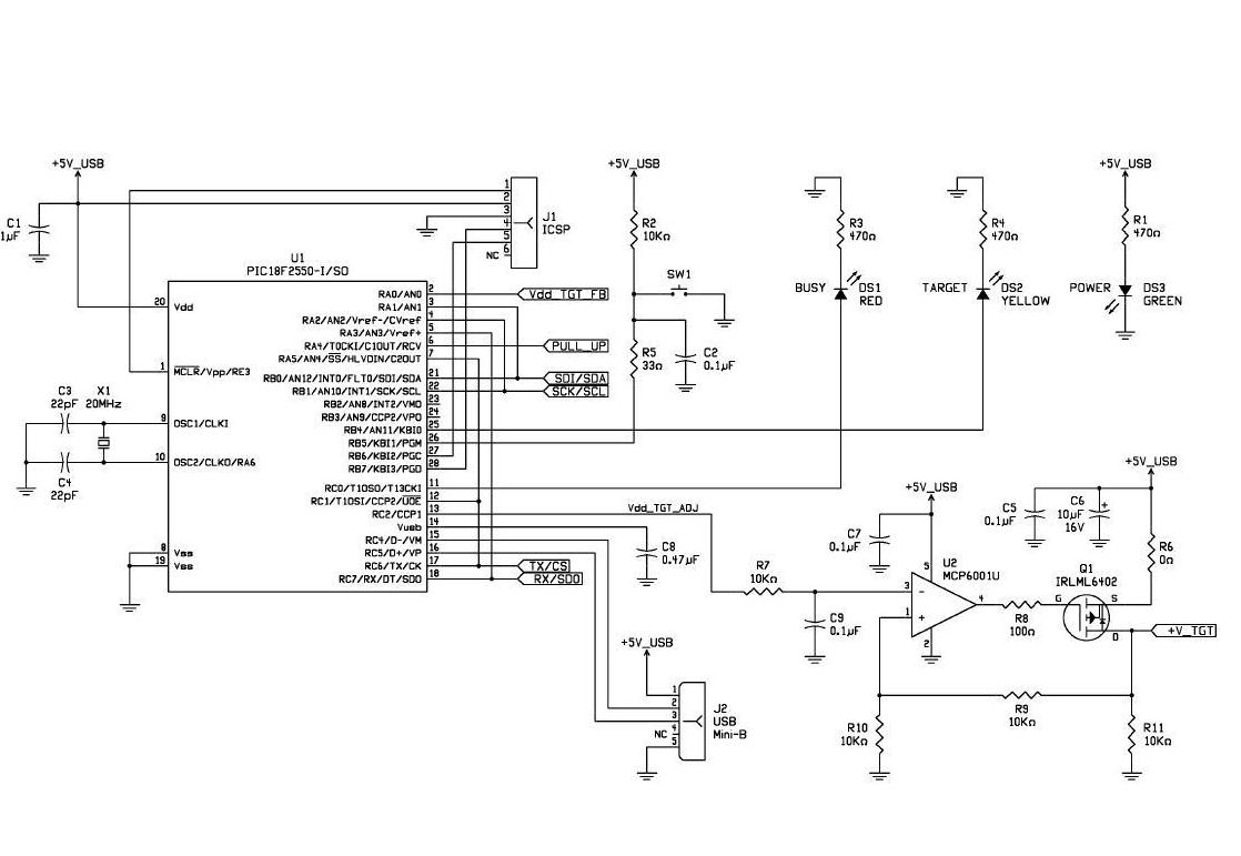
Решил обратить внимание вот на это устройство.http://www.microchip.com/stellent/idcpl ... e=en028600
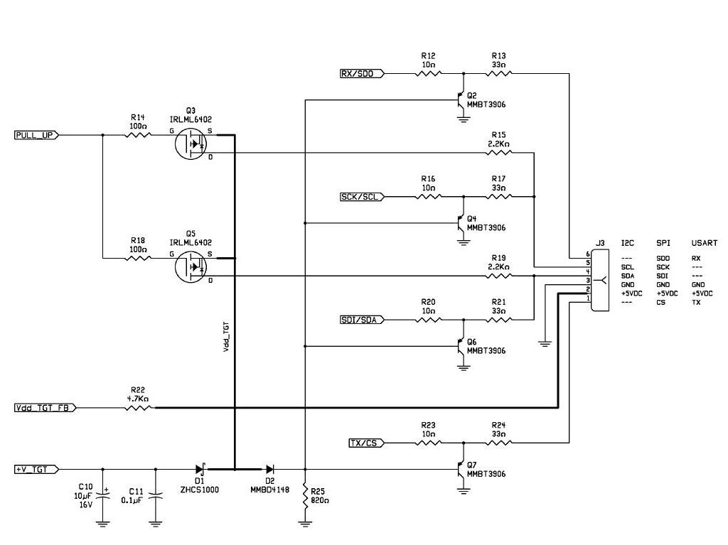
The PICkit Serial Analyzer currently supports the following protocols:
I2C™ - Master
I2C™ - Slave
SPI - Master
USART – Asynchronous
USART – Synchronous
LIN (external hardware required to meet electrical specifications)
MICROWIRE
по моему довольно интересная вещь
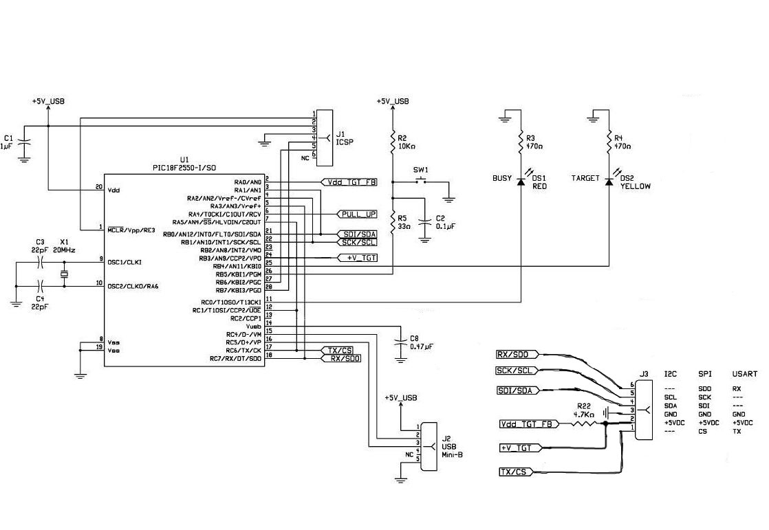
собрал себе упрощённый вариант
работает
тоже на PIC18F2550
у этой штуки есть свой софт (довольно приличный и бесплатный)
но также выложены все исходники
firmware и примеры софта для PC
думаю добавить поддержку этой штуки в MCProg








