T.E.S.T.C.O.P.Y. • Просмотр темы - Помогите с подбором деталей... Совсем отупел....))))

Помогите с подбором деталей... Совсем отупел....))))

инструмент, переходники к программаторам, программаторы и т.д.

Прилепить пост

Сообщение manik.76 » Вт авг 04, 2015 3:34 pm

Короче вот тут была тема про бесшумный компрессор:
Тихий компрессор??? Да, возможно.... которую я кстати и начинал, так вот там Денас писал про схему включения кулеров чтоб постоянно не молотили...
А все поднялось из заа того что начал воду безбожно гнать.
Вытянул компрессор из коробки, сделал ему ТО полное(замена масла, протяжка болтовых, просмотр зеркала горшка, состояние колец...).
Глянул на ветродувы, а там ага - не работают,(первоначально пошел простым путем, поставил обыный БП, на 12 вольт), вот он то и бахнул, вентиляторы не крутятся, проток воздуха хреновый, вот отсюда и вода и прочие неприятности...
Так вот я к чему, сейчас воткнул импульсный БП от какой то китайской хрени 12 В 3А, но хочу вот такую схему слепить:
Изображение
но номиналы деталей не дал а я чета совсем притупел, не могу сореентироваться...
Перечень деталей которые есть:
2 вентилятора 120 мм 12В 0,360 А, Rel1 реле фирмы DEG 10A 240D переменки, КRel2 реле фирмы DEG 12В 10А.
Начал считать конденсатор к первому реле которое является гальванической развязкой, у меня вышло 145мФ 450В, я в fret? где такое взять??? Может неправильно посчитал???
И транзюк с кондером который дает задержку отключения вентиляторов тоже не могу подобрать, чета я тупень полный....
Подскажите парни,а ??????

Конденсатор гасящий для реле Rel1 считал вот по этой формуле Расчет гасящего конденсатора
Аватар пользователя
manik.76   
Over 9000 заправок

Прилепить пост

Сообщение Bafala » Вт авг 04, 2015 6:59 pm

сейчас у нас похожая проблема, компрессор в помещении (правда у коллеги), тарахтит сволочь, надо его тоже в ящик засунуть, вот только я думаю мы сделаем проще, купим вентилятор для вытяжки бытовой, у них и производительность приличная, и таймер на отключение уже есть по умолчанию, регулируемый, пуск через релюху от компрессора пустить и всех делов, все работает
Аватар пользователя
Bafala   
Тонерный Шаман

Прилепить пост

Сообщение manik.76 » Вт авг 04, 2015 9:01 pm

Bafala писал(а):сейчас у нас похожая проблема, компрессор в помещении (правда у коллеги), тарахтит сволочь, надо его тоже в ящик засунуть, вот только я думаю мы сделаем проще, купим вентилятор для вытяжки бытовой, у них и производительность приличная, и таймер на отключение уже есть по умолчанию, регулируемый, пуск через релюху от компрессора пустить и всех делов, все работает


Спасибо конечно, только я такой ящик не с бухты-барахты делал, проработал на производстве где таких компрессаров вагоны стояли, и все они в такие ящики упрятаны были даже мощьные производственные, и вентиляторы там побольше стояли, и отключение и включение на микропроцессорах.... Но это все лирика, я хочу решить проблему именно так как написал, вот и прошу помощи, может кто еще проще предложит решение....
:-ok-: :-ok-: :-ok-: thank_you thank_you thank_you thank_you thank_you thank_you thank_you thank_you
Аватар пользователя
manik.76   
Over 9000 заправок

Прилепить пост

Сообщение VVC » Вт авг 04, 2015 9:38 pm

не делал таких схем никогда, но попробовал бы так:
C1 = максимальный не электролит на 450V
C2=1500uF 16V
любой найденный N-P-N транзистор с током коллектора более 10А и Uк-э более 12V....в базу ограничивающий ток резистор (номинал от параметров тока базы зависит для конкретного транзистора).
Последний раз редактировалось VVC Ср авг 05, 2015 8:43 am, всего редактировалось 1 раз.
Аватар пользователя
VVC   
Тонерный чревовещатель

Прилепить пост

Сообщение marinad » Вт авг 04, 2015 10:16 pm

не зная напряжения и тока срабатывания реле, рассчитать конденсатор не получится
транзистор, так как нарисовано включать нельзя - сгорит нафиг тут же

думаю, первое реле можно исключить из схемы, заменив выключатель на сдвоенный
1 группа контактов на включение компрессора
2 группа - вместо контактов первого реле
выключатель можно взять с неисправного компьютерного блока питания например

или вот вариант, вроде бы то что тебе надо -
http://radio-master.net/ArticleDetail.a ... &kID=14305
схема с рис.2
резистор R3 не нужен, если не нужна вентиляция в выключенном состоянии компрессора
можно как в статье с герконом сделать или вместо геркона вторая группа контактов выключателя
полевик практически любой n-канальный с неисправной материнки от компа можно
например 15n03
Аватар пользователя
marinad   
Собрал картридж

Прилепить пост

Сообщение VVC » Вт авг 04, 2015 10:47 pm

marinad писал(а):транзистор, так как нарисовано включать нельзя - сгорит нафиг тут же

не сгорит если ограничить ток базы (резистор) или если транзистор специальный (автор схемы не указывает нюансы).
Аватар пользователя
VVC   
Тонерный чревовещатель

Прилепить пост

Сообщение __Oleg__ » Вт авг 04, 2015 10:51 pm

Я бы вообще релюхи поубирал, а развязку сделал на оптопаре (к примеру на PC817C) где коллектор-эмитер был бы ключом для VT1 (лучше взять мосфет, но тогда нужен шунтирующий резистор для разрядки конденсатора С2) , а нагрузку (вентилятор) включил вместо обмотки Rel2. Входная цепь от 220 - любой маломощный мостик (1000V типа DB107), сглаживающий конденсатор небольшой емкости, гасящий резистор (можно резистивный делитель) и далее диод оптопары. Как то так.
Аватар пользователя
__Oleg__   
Познал картридж

Прилепить пост

Сообщение marinad » Вт авг 04, 2015 11:50 pm

VVC писал(а):
не сгорит если ограничить ток базы (резистор) или если транзистор специальный (автор схемы не указывает нюансы).

имено и имелись ввиду это "если" и ньюансы

__Oleg__ писал(а):Я бы вообще релюхи поубирал, а развязку сделал на оптопаре (к примеру на PC817C) где коллектор-эмитер был бы ключом для VT1 (лучше взять мосфет, но тогда нужен шунтирующий резистор для разрядки конденсатора С2) , а нагрузку (вентилятор) включил вместо обмотки Rel2. Входная цепь от 220 - любой маломощный мостик (1000V типа DB107), сглаживающий конденсатор небольшой емкости, гасящий резистор (можно резистивный делитель) и далее диод оптопары. Как то так.

автору, как я понимаю, нужна конкретная реализация, а не общие рекомендации, т.е. схема с конкретными номиналами
а так-то можно и оптрон пришпандорить
и мостик не обязательно и делитель, достаточно гасящий конденсатор скажем 0.22 мкф 400в, и в обратку светодиод оптрона зашунтировать любым диодом
но с выключателем, как мне кажется , проще
а второе реле, по-моему тоже не нужно, в схемке по ссылке его и нет
Аватар пользователя
marinad   
Собрал картридж

Прилепить пост

Сообщение __Oleg__ » Ср авг 05, 2015 9:09 am

Да схем включения контроля сети с помощью оптопары вагон и маленькая тележка, извращаться можно по всякому.
Можно и так
1267

Добавлено спустя 6 часов 24 минуты 57 секунд:
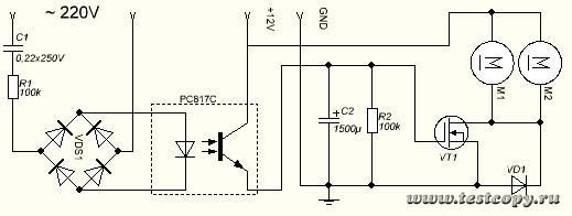
Может кому и пригодится.
Аналог схемы Manik.76 но без использования реле, настройка задержки отключения регулируется номиналом конденсатора С2 и резистора R2. Если в транзисторе есть защитный диод, то VD1 в принципе и ненужен. Чуть не забыл, перед коллектором оптрона, желательно повесить резистор Ом на 100-200. Не проверял, но вроде как должно работать.
1268
Аватар пользователя
__Oleg__   
Познал картридж

Прилепить пост

Сообщение marinad » Ср авг 05, 2015 5:48 pm

blinn давно не собирал всякую фигню :-)
не поленился спаял навесным монтажом, на все ушло 15 минут с поиском деталей :-)
12691270
правда когда проверял, навсякий случай, тряпочкой накрыл :-)
работает, при указаных номиналах кондрюка и резистора задержка отключения 20 сек

по просьбе топикстартера дополняю:
полевик взял первый попавшийся с десктопной материнки
1272
пойдет почти любой мощный мосфет, главное чтоб n-канальный, ну и желательно чтобы VDS повыше, поскольку нагрузка индуктивная, хотя может это и не важно, т.к. резкого закрытия у него не будет

оптрон с компьютерного блока питания
1271
диод стеклянный и резистор оттуда же
конденсаторы на входе оптрона с платы элт монитора, подходящий на 400 вольт не попался, поэтому воткнул 2 на 250
к тому же, получилось удобно подключить шнур питания от струйника :-):

__Oleg__ писал(а): настройка задержки отключения регулируется номиналом конденсатора С2 и резистора R2. Если в транзисторе есть защитный диод, то VD1 в принципе и ненужен. Чуть не забыл, перед коллектором оптрона, желательно повесить резистор Ом на 100-200.


кстати да: перед коллектором оптрона, резистор Ом на 100-200 лучше повесить

задержку по времени придется подбирать опытным путем. с этими же номиналами R и C с разными полевиками время задержки может отличаться и чтобы увеличить задержку, нужно увеличивать номиналы R и C. для этого транзистора надо пробовать 1500 мкф и 1 мом, чтобы получить ~ 15 минут.
Аватар пользователя
marinad   
Собрал картридж

Прилепить пост

Сообщение manik.76 » Пт авг 07, 2015 11:41 am

Всем спасибо, все заработало. Номинал кондера 50В 2200 Мф резистор 150КОм время работы от 6 до 8 минут в зависимости от времени включения первички. транзистр подобрал от мамки, К3919, диодный мост и кондер вместе с оптопарой из нерабочего БП от компа. Диодный мост 1010B, конденсатор 47МФ 275В? резистор из закрамов родины 150КОм 2 ВТ.
Вроде как бы все. распаяю по макетке солью как и что получилось))))
Всем спасибо. thank_you thank_you thank_you thank_you thank_you thank_you thank_you thank_you thank_you thank_you thank_you thank_you thank_you thank_you thank_you thank_you
Аватар пользователя
manik.76   
Over 9000 заправок

Прилепить пост

Сообщение __Oleg__ » Пт авг 07, 2015 1:18 pm

manik.76 писал(а):конденсатор 47МФ 275В?

Нужно 0,22MФ, а судя по напряжению 275В, у тебя помехо-подавляющий конденсатор, честно говоря не советовал бы.
Желательно ставить, в данном случае, металлоплёночный типа (К73-17) 0.22 мкФx 250 - 630 В.

Помехоподавляющий (класс X2) металлизированный полипропиленовый конденсатор.
Конденсаторы используются для ликвидации радиопомех, высокоустойчивы к перенапряжению и перегрузке по току.
Аватар пользователя
__Oleg__   
Познал картридж

Прилепить пост

Сообщение marinad » Пт авг 07, 2015 5:07 pm

ребята, вы сначала с единицами емкости определитесь. там у вас что мегафарады? милифарады? или еще чего?
manik.76 писал(а): все заработало. Номинал кондера 50В 2200 Мф резистор 150КОм

все-таки видимо 2200 мкф?
manik.76 писал(а): диодный мост и кондер вместе с оптопарой из нерабочего БП от компа. Диодный мост 1010B, конденсатор 47МФ 275В? резистор из закрамов родины 150КОм 2 ВТ.

может 0.47 мкф все-таки?
и если 150 ком это по переменке последовательно с мостом который, то кондер можно вобще просто выкинуть нафиг из схемы, при таком номинале резистора гасящий конденсатор теряет смысл и без него даже лучше будет.
можно смело двухваттный поставить даже 100 ком без кондрюка, на нем всего полватта выделяться будет.

manik.76 писал(а):время работы от 6 до 8 минут в зависимости от времени включения первички.

странно это, по-нормальному от времени включения первички не должно зависеть
видимо оптрон слишком слабо открывается и поэтому много времени требуется для зарядки електролитика.
при 150 ком ток светодиода в оптроне меньше 2 ма получается. оно конечно, как говорится, жираф большоой ..., но я бы увеличил, хотя все равно странно, а ты коллектор с эмиттером у оптрона не перепутал часом?
а еще, неплохо бы посмотреть не сильно ли греется транзюк при включении и в момент остановки вентиляторов и не нужно ли позаботиться об его охлаждении.
Аватар пользователя
marinad   
Собрал картридж


Вернуться в Своими руками

Кто сейчас на форуме

Сейчас этот форум просматривают: нет зарегистрированных пользователей и гости: 3

вверх
вниз
x

#{title}

#{text}