

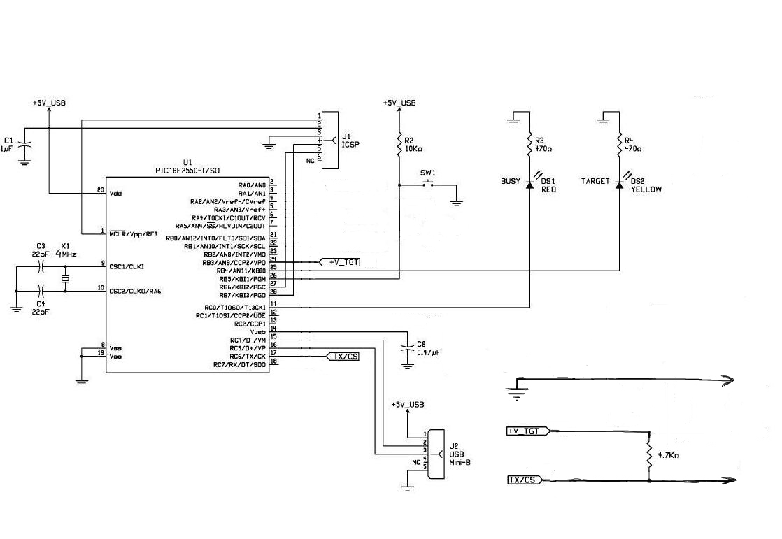
сделал простенькую схемку на PIC18F2550читает ds1820
продолжаю эксперименты
на очереди ключи-таблетки
Добавлено спустя 10 часов 42 минуты 45 секунд:
прочитал серийник у таблетки
Добавлено спустя 6 минут 51 секунду:
судя по серийнику это DS1990A
самая простая
без памяти
интересно а есть эмуляторы в которые можно серийник записать ?








